Corsa nie odpala

Wszystkie informacje o silnikach benzynowych i diesla montowanych w Corsie B.
ODPOWIEDZ
Awatar użytkownika
blood1989
Nowy
Posty: 178
Rejestracja: 2 lut 2009, o 09:10
Imię: Mateusz
Podziękował;: 1 raz
Otrzymał podziękowań: 0

Corsa nie odpala

Post autor: blood1989 »

Witam mam taki problem wczoraj podczas jazdy samochód stracił nagle moc i zgasł, po probie odpalenia, ledwo co zapalał tak jak by paliwa nie było, po kilkunastu próbach już nie odpalił , wydaje mi się, że coś z pompą bo tak jeszcze ledwo co odpalał i zaraz zaczynal się dusić i gasnąć zapewne ściągnął reszte paliwa z przewodów i dla tego już nie odpala.

Co sprawdziłem

-pompe paliwa nie dochodzi prąd są 4 kable 2 od pływaka tam prąd jest i 2 od pompy tu nie ma
-bezpiecznik jest OK
-przekaźnik nie cyka po przekręceniu kluczyka
Awatar użytkownika
mehes
Moderator Leader
Moderator Leader
Posty: 1535
Rejestracja: 4 gru 2009, o 23:10
Imię: Piotr
Lokalizacja: Kraków
Podziękował;: 1 raz
Otrzymał podziękowań: 14 razy
Kontakt:

Re: Corsa nie odpala

Post autor: mehes »

Z fusów nikt nie wywróży jaki masz silnik :-D
Uzupełnij profil
[album]3178[/album]
Pomogłem postaw +
Kto o coś spytał i uzyskał poradę niech czuje się zobowiązany napisać o rezultatach -pomogło, nie pomogło, jakie było właściwe rozwiązanie problemu.
Awatar użytkownika
Bear_
Weteran
Posty: 1807
Rejestracja: 29 mar 2007, o 21:53
Imię: Arek
Lokalizacja: .:ZzA Winkla:.
Podziękował;: 0
Otrzymał podziękowań: 6 razy
Kontakt:

Re: Corsa nie odpala

Post autor: Bear_ »

Przekaźnik w CB nigdy nie cyka po zapłonie, dopiero w momencie kiedy kręcisz rozrusznikiem to pompa zaczyna podawać...
Obrazek
- Była CB C16XE -> C18XE Smallblock 2 - 140 PS, 183 Nm
- Jest Astra H Caravan Z19DTH OPC Line - 205 PS, 411 Nm

PAMIĘTAJ, wymieniaj świece!
Awatar użytkownika
blood1989
Nowy
Posty: 178
Rejestracja: 2 lut 2009, o 09:10
Imię: Mateusz
Podziękował;: 1 raz
Otrzymał podziękowań: 0

Re: Corsa nie odpala

Post autor: blood1989 »

a sorki 1.0 XE z tego co jeszcze sprawdzilem miernikiem to przy przekaźniku jest prąd a przy kostce od pompy nie ma :/
Awatar użytkownika
Bear_
Weteran
Posty: 1807
Rejestracja: 29 mar 2007, o 21:53
Imię: Arek
Lokalizacja: .:ZzA Winkla:.
Podziękował;: 0
Otrzymał podziękowań: 6 razy
Kontakt:

Re: Corsa nie odpala

Post autor: Bear_ »

Jakieś blędy na kompie ?
Obrazek
- Była CB C16XE -> C18XE Smallblock 2 - 140 PS, 183 Nm
- Jest Astra H Caravan Z19DTH OPC Line - 205 PS, 411 Nm

PAMIĘTAJ, wymieniaj świece!
Awatar użytkownika
blood1989
Nowy
Posty: 178
Rejestracja: 2 lut 2009, o 09:10
Imię: Mateusz
Podziękował;: 1 raz
Otrzymał podziękowań: 0

Re: Corsa nie odpala

Post autor: blood1989 »

Bear_ pisze:Jakieś blędy na kompie ?

Nie wiem nie mam kompa żeby podłączyć :(

ok prąd jest na kostce przy pompie pojawia się dopiero po przekręceniu zapłonu tzw przy odpalaniu ale co dalej...........?
Awatar użytkownika
mehes
Moderator Leader
Moderator Leader
Posty: 1535
Rejestracja: 4 gru 2009, o 23:10
Imię: Piotr
Lokalizacja: Kraków
Podziękował;: 1 raz
Otrzymał podziękowań: 14 razy
Kontakt:

Re: Corsa nie odpala

Post autor: mehes »

X1,0XE ma dwa przekaźniki
ściąg schematy będzie prościej
a check świeci?
[album]3178[/album]
Pomogłem postaw +
Kto o coś spytał i uzyskał poradę niech czuje się zobowiązany napisać o rezultatach -pomogło, nie pomogło, jakie było właściwe rozwiązanie problemu.
Awatar użytkownika
blood1989
Nowy
Posty: 178
Rejestracja: 2 lut 2009, o 09:10
Imię: Mateusz
Podziękował;: 1 raz
Otrzymał podziękowań: 0

Re: Corsa nie odpala

Post autor: blood1989 »

mehes pisze:X1,0XE ma dwa przekaźniki
ściąg schematy będzie prościej
a check świeci?
Świeci on dopiero gaśnie po zapaleniu auta, gdzie jest drugi przekaźnik ? Z tego co wyczytałem jest jeden przekaźnik i jeden bezpiecznik, wydaje mi się ze prąd dobrze idzie przy próbie rozruchu samochodu bo raczej nie może cały czas iść napięcie, chyba dobrze myślę ?
Awatar użytkownika
wolga85
Weteran
Posty: 1035
Rejestracja: 12 sty 2009, o 21:03
Imię: Marcin
Lokalizacja: Gdów (na południe od Krakowa)
Podziękował;: 0
Otrzymał podziękowań: 22 razy

Re: Corsa nie odpala

Post autor: wolga85 »

Rok produkcji corsy?
6 do 100 czy 6 na 100. Oto jest pytanie
Awatar użytkownika
Konik
Moderatorzy
Moderatorzy
Posty: 957
Rejestracja: 28 maja 2009, o 23:49
Imię: Grzegorz
Lokalizacja: Kraków, spotkać można wszędzie:)
Podziękował;: 0
Otrzymał podziękowań: 0
Kontakt:

Re: Corsa nie odpala

Post autor: Konik »

Nie miałes/ nie masz jakiegoś odciecia zapłonu robionego " w garazu" ?
Obrazek
"Nigdy nie lekceważ corsy" ;D
c16xe --> ... ;)

Pamiętaj, wymień świece.
Awatar użytkownika
blood1989
Nowy
Posty: 178
Rejestracja: 2 lut 2009, o 09:10
Imię: Mateusz
Podziękował;: 1 raz
Otrzymał podziękowań: 0

Re: Corsa nie odpala

Post autor: blood1989 »

nic z tych rzeczy nie mam rok produkcji to 99 jakie powinno być napięcie wyjsciowe na pompę ?

-- 16 sie 2011, o 10:40 --

powiedzcie mi gdzie jest ten 2 przekaźnik od pompy paliwa ?
Awatar użytkownika
wolga85
Weteran
Posty: 1035
Rejestracja: 12 sty 2009, o 21:03
Imię: Marcin
Lokalizacja: Gdów (na południe od Krakowa)
Podziękował;: 0
Otrzymał podziękowań: 22 razy

Re: Corsa nie odpala

Post autor: wolga85 »

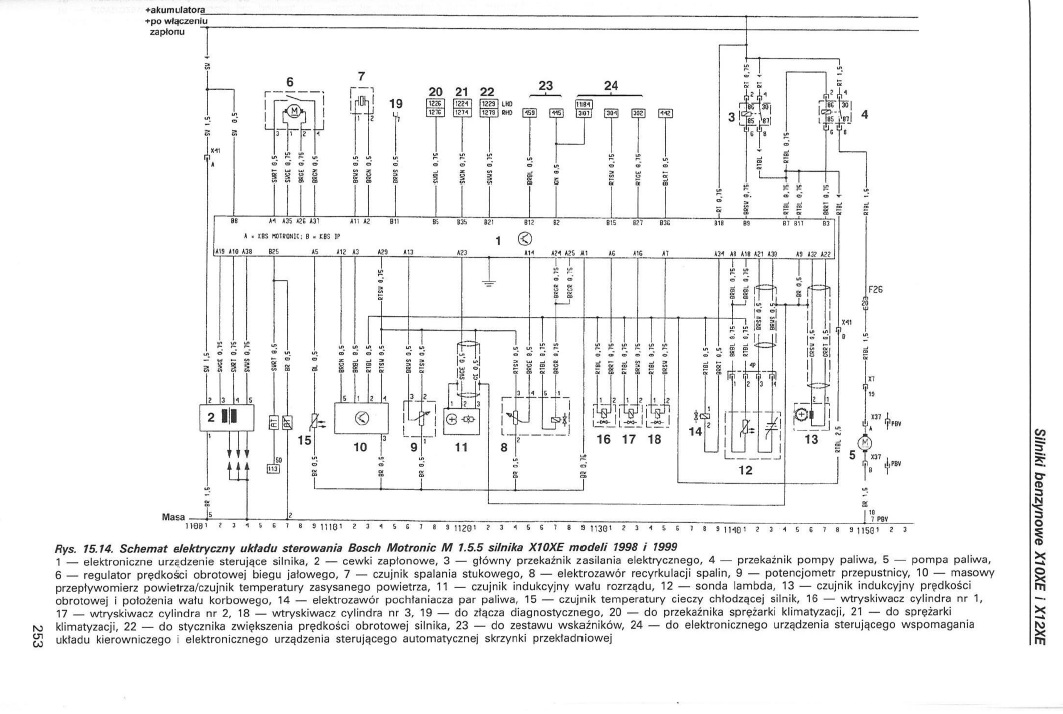
Schemacik
x10xe.jpg
x10xe.jpg (204.72 KiB) Przejrzano 3542 razy
Faktycznie są dwa jak w starszych modelach. Niestety gdzie się znajdują nie wiem. Jak byś miał problem z rozczytaniem schematu pisz.
6 do 100 czy 6 na 100. Oto jest pytanie
Awatar użytkownika
blood1989
Nowy
Posty: 178
Rejestracja: 2 lut 2009, o 09:10
Imię: Mateusz
Podziękował;: 1 raz
Otrzymał podziękowań: 0

Re: Corsa nie odpala

Post autor: blood1989 »

no ok na schemacie wyczytalem ze 4 to przekaźnik pompy paliwa a gdzie jest drugi przekaźnik jaki to numer bo chyba oślepłem :/
Awatar użytkownika
Porszak
Support Team Leader
Support Team Leader
Posty: 5671
Rejestracja: 30 lis 2003, o 22:27
Imię: Marcin
Lokalizacja: EBE-Bełchatów
Podziękował;: 0
Otrzymał podziękowań: 4 razy
Kontakt:

Re: Corsa nie odpala

Post autor: Porszak »

jedyne miejsce w cb z x10xe z przekaznikami to po stronie pasazera, trzeba wyciagnac schowek, ale tam chyba juz sie dobrales skoro masz przekaznik. paliwo masz w baku? bo mnie objawy pasuja na wyczerpanie sie paliwa
Obrazek
C16XE stage 0.5 158KM/195Nm
stage 0.75 :) 176KM/187Nm
Awatar użytkownika
wolga85
Weteran
Posty: 1035
Rejestracja: 12 sty 2009, o 21:03
Imię: Marcin
Lokalizacja: Gdów (na południe od Krakowa)
Podziękował;: 0
Otrzymał podziękowań: 22 razy

Re: Corsa nie odpala

Post autor: wolga85 »

Faktycznie zrzut schematu wyszedł mi kiepawy. Przekaźniki są połączone ze sobą przewodami: czerwonym i czerwono-niebieskim. Tak że główny zasila cewkę przekaźnik pompy. Przekaźnik główny ma przewody koloru: -
-czerwony cienki , stały plus na cewkę
- czerwony gruby ,stały plus na styk
-czerwono-niebieski gruby ,zasilanie cewki przekaźnika pompy i reszty osprzętu silnika (wtrysków ,przepływonierza itd)
-brązowo-czarny , masa podawana z ecu po włączeniu zapłonu

Do przekaźnika pompy przychodzą:
-czerwony gruby ,zasilanie styku
-czerwono-niebieski ,wyjście ze styku na pompe
-brązowo- czerwony ,masa z ecu podawana przy odpalaniu i pracy silnika
-czerwono-niebieski cienki ,plus na cewkę z przekaźnika głównego.
Za ten post autor wolga85 otrzymał podziękowanie:
blood1989 (16 sie 2011, o 18:49)
Ocena: 100%
6 do 100 czy 6 na 100. Oto jest pytanie
Awatar użytkownika
blood1989
Nowy
Posty: 178
Rejestracja: 2 lut 2009, o 09:10
Imię: Mateusz
Podziękował;: 1 raz
Otrzymał podziękowań: 0

Re: Corsa nie odpala

Post autor: blood1989 »

ok zaraz to idę sprawdzić... tak mam pół baku benzyny....



zrobiłem zworkę na kablach czerwono niebieskim (grubym) i czerwonym (grubym) oczywiście wyjmując przekaźnik i co usłyszałem cyknięcie pompy i nic więcej jak dotykałem kablem to słyszałem cykanie nic więcej pompa nie pompowała paliwa.... czyli wychodzi na to, że pompa jest uszkodzona tak ?
Awatar użytkownika
wolga85
Weteran
Posty: 1035
Rejestracja: 12 sty 2009, o 21:03
Imię: Marcin
Lokalizacja: Gdów (na południe od Krakowa)
Podziękował;: 0
Otrzymał podziękowań: 22 razy

Re: Corsa nie odpala

Post autor: wolga85 »

To zależy na którym przekaźniku. Jakie kolory i grubości do niego dochodziły
6 do 100 czy 6 na 100. Oto jest pytanie
ODPOWIEDZ

Wróć do „Silnik”